Mazzi Opublikowano 6 Stycznia 2006 Zgłoś Opublikowano 6 Stycznia 2006 Padl wczoraj w moim Radmorku kondensator o pojemnosci 2x4700uF 40V. Wylal sie cholernik jeden robiac delikatne zwarcie. Na szczescie w pore wylaczylem, delikatnie tylko podgrzal plytke drukowana - z tym dam rade, sciezki niepoprzepalane. Bardziej zastanawiam sie nad tym, jaki kondensator kupic, jesli nie bedzie dokladnie takiego samego... Jezeli kupie o wiekszej pojemnosci, to czy trzeba bedzie cos regulowac po wlutowaniu go, czy tez nie? Kolejna rzecz: wlutuje kondka i normalnie wlaczam wzmacniacz czy trzeba jeszcze cosik zrobic ? Laik jestem, wiec pytania moze gupie, ale prosze o pomoc:) Lutowac troche umiem, ale bardziej instalacje w motocyklu i przelacznik wiatrakow w kompie :) jednak powinienem dac rade:) aha, jaka kwote tak orientacyjnie szykowac na 1szt. 2x4700uF? Cytuj Udostępnij tę odpowiedź Odnośnik do odpowiedzi Udostępnij na innych stronach Więcej opcji udostępniania...
szaraczek Opublikowano 6 Stycznia 2006 Zgłoś Opublikowano 6 Stycznia 2006 mozesz wlutowac i nic niebedziesz musial robic. mysle ze do 5 zł sie zmiescicsz. wieksza wartosc mozesz dac ale nie zawsze. jesli on jest w filtrze napiecia to tak Cytuj Udostępnij tę odpowiedź Odnośnik do odpowiedzi Udostępnij na innych stronach Więcej opcji udostępniania...
sithh Opublikowano 6 Stycznia 2006 Zgłoś Opublikowano 6 Stycznia 2006 Elektrolit dokładnie zmyj z płytki!!! Posprawdzaj elementy - czy przypadkiem nic sie nie spaliło (tak na wszelki wypadek, żeby potem nie było zdziwienia). Oczywiscie o polaryzacji elektrolitów wiesz :) A jesli chodzi o kondensator 2x4700µ to taki cieżko bedzie dostać, przynajmniej u mnie tak jest, więc pewnie bedziesz musiał kupić 2 pojedyńcze i pokombinować. Cytuj Udostępnij tę odpowiedź Odnośnik do odpowiedzi Udostępnij na innych stronach Więcej opcji udostępniania...
Tom.O Opublikowano 6 Stycznia 2006 Zgłoś Opublikowano 6 Stycznia 2006 Pamietaj ze to jest kondensator 2x4700 !! Oryginalny kondensator ma pewnie 3 nozki + - 0. Takiego nie dostaniesz wiec kupujesz 2 kondensatory 4700 lub 6300 na to samo lub wyzsze napiecie i laczysz tak.... Minus jednego kondensatora do minusa na plytce, plus drugiego do plusa na plytce a nastepnie plus pierwszego z minusem drugiego do 0. Mam nadzieje ze jasne :) Jezeli nie masz ukladu opozniajacego podlaczenie koncowki do kolumn to zastosuj 4700 bo przy wiekszym bedziesz mial wieksze bum przy uruchamianiu. Jakby co to pisz na maila albo prv. Cytuj Udostępnij tę odpowiedź Odnośnik do odpowiedzi Udostępnij na innych stronach Więcej opcji udostępniania...
Mazzi Opublikowano 6 Stycznia 2006 Zgłoś Opublikowano 6 Stycznia 2006 Pamietaj ze to jest kondensator 2x4700 !! Oryginalny kondensator ma pewnie 3 nozki + - 0. Takiego nie dostaniesz wiec kupujesz 2 kondensatory 4700 lub 6300 na to samo lub wyzsze napiecie i laczysz tak.... Minus jednego kondensatora do minusa na plytce, plus drugiego do plusa na plytce a nastepnie plus pierwszego z minusem drugiego do 0. Mam nadzieje ze jasne :) Jezeli nie masz ukladu opozniajacego podlaczenie koncowki do kolumn to zastosuj 4700 bo przy wiekszym bedziesz mial wieksze bum przy uruchamianiu. Jakby co to pisz na maila albo prv. dzieki za dokaldna odpowiedz. wlasnie gdzies na necie znalazlem, ze mozna polaczyc dwa kondki. jutro pedze do sklepu i zobacze co maja, zapewne kupie 4szt i bede kombinowal. alkoholem elektrolit moge zmyc? (dokladnie wodka, bo tylko tyle jest w akademiku pod reka :) nic plytce nei powinno sie stac :) jezeli beda (nie daj Boze) jakies problemy albo pytania to bede jeszcze pisal. a co do sprawdzenai wszystkiego, to nei mam pod reka miernika niestety :? wiec nei mam czym sprawdzic :( niby nic wiecej nie spalilo sie, przynajmniej nie widze. jedynie w miejscu gdzie kondek jest wlutowany do plytki troche sciezka przepalila sie, ale nie przerwala - problemu byc nie powinno. wprawy w sumie w lutowaniu malych rzeczy wielkiej nie mam (jedynie przelaczniki do wentyli i pare innych dupereli), ale trzeba wreszcie keidys zaczac trenowac, nie? :) Cytuj Udostępnij tę odpowiedź Odnośnik do odpowiedzi Udostępnij na innych stronach Więcej opcji udostępniania...
Gość Opublikowano 6 Stycznia 2006 Zgłoś Opublikowano 6 Stycznia 2006 Jak byś kiedyś chciał trochę podkręcić tego Rdmorka to tutaj jest gotowy projekcik: http://www.elektroda.pl/rtvforum/viewtopic...9963&highlight= Cytuj Udostępnij tę odpowiedź Odnośnik do odpowiedzi Udostępnij na innych stronach Więcej opcji udostępniania...
Mazzi Opublikowano 6 Stycznia 2006 Zgłoś Opublikowano 6 Stycznia 2006 Jak byś kiedyś chciał trochę podkręcić tego Rdmorka to tutaj jest gotowy projekcik: http://www.elektroda.pl/rtvforum/viewtopic...9963&highlight= dzieki, poki co musze go przywrocic do normalnego dzialania, tak zeby bylo przynajmniej nie gorzej niz przed rozlaniem kondka:) Cytuj Udostępnij tę odpowiedź Odnośnik do odpowiedzi Udostępnij na innych stronach Więcej opcji udostępniania...
Mazzi Opublikowano 7 Stycznia 2006 Zgłoś Opublikowano 7 Stycznia 2006 Pamietaj ze to jest kondensator 2x4700 !! Oryginalny kondensator ma pewnie 3 nozki + - 0. Takiego nie dostaniesz wiec kupujesz 2 kondensatory 4700 lub 6300 na to samo lub wyzsze napiecie i laczysz tak.... Minus jednego kondensatora do minusa na plytce, plus drugiego do plusa na plytce a nastepnie plus pierwszego z minusem drugiego do 0. Mam nadzieje ze jasne :) Jezeli nie masz ukladu opozniajacego podlaczenie koncowki do kolumn to zastosuj 4700 bo przy wiekszym bedziesz mial wieksze bum przy uruchamianiu. Jakby co to pisz na maila albo prv. ok, kupilem. mam pytanie, zero na plytce w ktorym jest miejscu? bo mam + i - z jednej strony starego kondka, zas drugi minus z drugiej strony, tzn. w miejscu gdzie od drugiego kondensatora odchodzila jedna nozka: + - - taki uklad. ale laik jestem, ehh :) Cytuj Udostępnij tę odpowiedź Odnośnik do odpowiedzi Udostępnij na innych stronach Więcej opcji udostępniania...
szaraczek Opublikowano 7 Stycznia 2006 Zgłoś Opublikowano 7 Stycznia 2006 wydaje mi sie ze ten osobny minus to 0 ale pewny niejestem Cytuj Udostępnij tę odpowiedź Odnośnik do odpowiedzi Udostępnij na innych stronach Więcej opcji udostępniania...
Mazzi Opublikowano 7 Stycznia 2006 Zgłoś Opublikowano 7 Stycznia 2006 wydaje mi sie ze ten osobny minus to 0 ale pewny niejestem podobnie mysle, ale pewnosci mi brak :) Cytuj Udostępnij tę odpowiedź Odnośnik do odpowiedzi Udostępnij na innych stronach Więcej opcji udostępniania...
Tom.O Opublikowano 8 Stycznia 2006 Zgłoś Opublikowano 8 Stycznia 2006 99% po przeciwnej stronie 0. Cytuj Udostępnij tę odpowiedź Odnośnik do odpowiedzi Udostępnij na innych stronach Więcej opcji udostępniania...
Mazzi Opublikowano 10 Stycznia 2006 Zgłoś Opublikowano 10 Stycznia 2006 podobnie mysle, ale pewnosci mi brak :) polutowalem wszystko, zlozylem, wymienilem mostek prostowniczy, bo stary jakos dziwnie wygladal i [gluteus maximus]... cos tylko zaiskrzylo przy wlaczaniu i dalej nie dziala. diodki wskazujace moc wyjsciowa mrugaja tak systematycznie, cos jak sinus - rosnie, maleje, wydaje mi sie ze msotek poszedl, ale czemu? nie mam pomyslu:/ w glosnikach slychac delikatne buczenie... podobnie mysle, ale pewnosci mi brak :) polutowalem wszystko, zlozylem, wymienilem mostek prostowniczy, bo stary jakos dziwnie wygladal i [gluteus maximus]... cos tylko zaiskrzylo przy wlaczaniu i dalej nie dziala. diodki wskazujace moc wyjsciowa mrugaja tak systematycznie, cos jak sinus - rosnie, maleje, wydaje mi sie ze msotek poszedl, ale czemu? nie mam pomyslu:/ w glosnikach slychac delikatne buczenie... --------------------------------------------------------------------------------------------------------------- Edytuj swoje posty..... //Domik Cytuj Udostępnij tę odpowiedź Odnośnik do odpowiedzi Udostępnij na innych stronach Więcej opcji udostępniania...
Gość Opublikowano 10 Stycznia 2006 Zgłoś Opublikowano 10 Stycznia 2006 Sprawdź jeszcze raz czy na pewno dobrze wlutowałeś mostek prostowniczy. Poza tym jest możliwośc, że spaliła Ci się końcówka mocy. Sprawdź czy nie ma napięcia na wyjściu bądź zwarcia. Cytuj Udostępnij tę odpowiedź Odnośnik do odpowiedzi Udostępnij na innych stronach Więcej opcji udostępniania...
Mazzi Opublikowano 10 Stycznia 2006 Zgłoś Opublikowano 10 Stycznia 2006 Sprawdź jeszcze raz czy na pewno dobrze wlutowałeś mostek prostowniczy. Poza tym jest możliwośc, że spaliła Ci się końcówka mocy. Sprawdź czy nie ma napięcia na wyjściu bądź zwarcia. wszystko wlutowane ok. wlaczam wzmacniacz, normalne stukniecie jak przy zalaczaniu glosnikow (tak jak i wczesniej bylo), po czy przy calkowitym wyciszeniu slychac delikatne buczenie, oraz diodki wskazujace moc skacza rytmicznie tak do ok. 0.1W, jesli wlacze radio lub inne zrodlo dzwieku i podglosnie slychac normalny dzwiek, bez zadnych znieksztalcen... jakby spalila sie koncowka mocy, to chyba dzwieku nie byloby na wyjsciu... Cytuj Udostępnij tę odpowiedź Odnośnik do odpowiedzi Udostępnij na innych stronach Więcej opcji udostępniania...
Gość Opublikowano 11 Stycznia 2006 Zgłoś Opublikowano 11 Stycznia 2006 No to zdecydyj się co piszesz. Jeden post wcześniej napisałeś: "polutowalem wszystko, zlozylem, wymienilem mostek prostowniczy, bo stary jakos dziwnie wygladal i [gluteus maximus]... cos tylko zaiskrzylo przy wlaczaniu i dalej nie dziala." A teraz nagle piszesz: "slychac normalny dzwiek, bez zadnych znieksztalcen..." Zastanów się kilka razy zanim coś napiszesz. Jak my Ci mamy pomóc, jak Ty sam nie potrafisz nawet dobrze opisać tego co się dzieje? Cytuj Udostępnij tę odpowiedź Odnośnik do odpowiedzi Udostępnij na innych stronach Więcej opcji udostępniania...
Mazzi Opublikowano 11 Stycznia 2006 Zgłoś Opublikowano 11 Stycznia 2006 No to zdecydyj się co piszesz. Jeden post wcześniej napisałeś: "polutowalem wszystko, zlozylem, wymienilem mostek prostowniczy, bo stary jakos dziwnie wygladal i [gluteus maximus]... cos tylko zaiskrzylo przy wlaczaniu i dalej nie dziala." A teraz nagle piszesz: "slychac normalny dzwiek, bez zadnych znieksztalcen..." Zastanów się kilka razy zanim coś napiszesz. Jak my Ci mamy pomóc, jak Ty sam nie potrafisz nawet dobrze opisać tego co się dzieje? ok, ale to druga juz wersja, bo drugi raz zlozylem. mostek prostowniczy wsadzilem stary, a teraz problemem jest to buczenie przy wyciszonych glosnikach i skakajace rytmicznie diodki od sygnalu wyjsciowego... a to oznacza ze jest cos zle, bo wczesniej nie bylo buczenia i jak sie wyciszylo to diodki nie swiecily... jak wlacze ktorys filtr (niskich czy wysokich czestotliwosci) to buczenie nasila sie... Cytuj Udostępnij tę odpowiedź Odnośnik do odpowiedzi Udostępnij na innych stronach Więcej opcji udostępniania...
Tom.O Opublikowano 12 Stycznia 2006 Zgłoś Opublikowano 12 Stycznia 2006 jak wlacze ktorys filtr (niskich czy wysokich czestotliwosci) to buczenie nasila sie... Jak buczy w glosnikach (100Hz) to pewnie cos jest nie tak z sekcja zasilania. Zazwyczaj powodem byly kondensatory, ale je wymieniles... Moze jeszcze gdzies w przedwzmacniaczu kondensatory stracily pojemnosc. Ewentualnie zapytaj na elektrodzie. Cytuj Udostępnij tę odpowiedź Odnośnik do odpowiedzi Udostępnij na innych stronach Więcej opcji udostępniania...
Mazzi Opublikowano 12 Stycznia 2006 Zgłoś Opublikowano 12 Stycznia 2006 Jak buczy w glosnikach (100Hz) to pewnie cos jest nie tak z sekcja zasilania. Zazwyczaj powodem byly kondensatory, ale je wymieniles... Moze jeszcze gdzies w przedwzmacniaczu kondensatory stracily pojemnosc. Ewentualnie zapytaj na elektrodzie. pytalem:) chyba to wina kabli, ktore zastosowalem do polaczenia kondkow... nie majac nic pod reka w akademiku uzylem kabla internetowego :D a jako ze ten byl za cienki to splatelem dwa do kupy... ale lama ze mnie :/ albo druga opcja - gdzies sa zimne luty (masa?) i slabo laczy, ale nei mam kiedy narazie zajrzec. jak cos wymysle to dam znac dzieki za odp. Cytuj Udostępnij tę odpowiedź Odnośnik do odpowiedzi Udostępnij na innych stronach Więcej opcji udostępniania...
Linoge Opublikowano 13 Stycznia 2006 Zgłoś Opublikowano 13 Stycznia 2006 (edytowane) 100hz to czestotliwosc sygnalu za mostkiem prostowniczym (powinien byc zniwelowany prawie do zera-napiecie stale ) ja bym przebadal te kondy oraz jak stabilne napiecie jest na nich ;] Edytowane 13 Stycznia 2006 przez Linoge Cytuj Udostępnij tę odpowiedź Odnośnik do odpowiedzi Udostępnij na innych stronach Więcej opcji udostępniania...
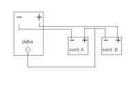
Gość Opublikowano 13 Stycznia 2006 Zgłoś Opublikowano 13 Stycznia 2006 Kondensatory muszą być połączone z masą i zasilaniem jak najkrótszym przewodem. Patrz rysunek: Źle podpięte kondensatory są przyczyną większości tętnień i zakłóceń we wzmacniaczach. Cytuj Udostępnij tę odpowiedź Odnośnik do odpowiedzi Udostępnij na innych stronach Więcej opcji udostępniania...
Mazzi Opublikowano 13 Stycznia 2006 Zgłoś Opublikowano 13 Stycznia 2006 (edytowane) Kondensatory muszą być połączone z masą i zasilaniem jak najkrótszym przewodem. Patrz rysunek: Źle podpięte kondensatory są przyczyną większości tętnień i zakłóceń we wzmacniaczach. i to moze byc przyczyna problemow. bede mial troche czasu to wywale to co polutowalem i zrobie jeszcze raz, na krotszych przewodach (choc juz niewiele da sie zmniejszyc) ale na porzadnym kablach (drutach). i wlasnie, co zastosowac do polaczenia kondka z plytka, tzn. jaki drut / kabel? u siebie podpialem kondki do plytki jak na rysunku. Edytowane 13 Stycznia 2006 przez Mazzi Cytuj Udostępnij tę odpowiedź Odnośnik do odpowiedzi Udostępnij na innych stronach Więcej opcji udostępniania...
Tom.O Opublikowano 13 Stycznia 2006 Zgłoś Opublikowano 13 Stycznia 2006 Proponuje kabel głośnikowy 2mm^2. W moim przypadko okazalo sie wystarczajace. Cytuj Udostępnij tę odpowiedź Odnośnik do odpowiedzi Udostępnij na innych stronach Więcej opcji udostępniania...
Gość Opublikowano 13 Stycznia 2006 Zgłoś Opublikowano 13 Stycznia 2006 Ewentualnie zawsze możesz przeciąć ścieżki i poprowadzić pdwójne kable do kondensatorów - jeden doprowadzający prąd do każego bieguna, a drugi odprowadzający prąd z kondensatora, połączone tak że łączą się dopiero na biegunie samego kondensatora. IMHO kable 2mm^2 powinny jednak wystarczyć. Druga sprawa to czy masz dobre kondensatory? Do filtrowania zasilania potrzebne są kondensatory o małej rezystancji wewnętrznej i dużym maksymalnym prądzie pracy. Cytuj Udostępnij tę odpowiedź Odnośnik do odpowiedzi Udostępnij na innych stronach Więcej opcji udostępniania...
Mazzi Opublikowano 14 Stycznia 2006 Zgłoś Opublikowano 14 Stycznia 2006 (edytowane) Proponuje kabel głośnikowy 2mm^2. W moim przypadko okazalo sie wystarczajace. sadze, ze 1mm^2 wystarczylby, ale dla pewnosci kupie 2mm^2 Ewentualnie zawsze możesz przeciąć ścieżki i poprowadzić pdwójne kable do kondensatorów - jeden doprowadzający prąd do każego bieguna, a drugi odprowadzający prąd z kondensatora, połączone tak że łączą się dopiero na biegunie samego kondensatora. IMHO kable 2mm^2 powinny jednak wystarczyć. Druga sprawa to czy masz dobre kondensatory? Do filtrowania zasilania potrzebne są kondensatory o małej rezystancji wewnętrznej i dużym maksymalnym prądzie pracy. kondesatory kupilem kazdy po 4700uF, na 63V i do 85stC. jaka one maja rezystencje... ciuj ich wie :/ druga rzecz, mysle ze te zaklocenia moga byc spowodowane tymi niefortunnie zastosowanymi kablami... teraz jak bede wymienial, to prowadzic: (a) plus pierwszego kondka do plusa na plytce, minus drugiego kondka do minusa na plytce, polaczyc pozostale plus i minus, i jednym kablem do zera czy (B) plus pierwszego kondka do plusa na plytce, minus drugiego kondka do minusa na plytce, minus pierwszego kondka do zera jednym kablem, a plus drugiego kondka drugim kablem do zera ?? Edytowane 14 Stycznia 2006 przez Mazzi Cytuj Udostępnij tę odpowiedź Odnośnik do odpowiedzi Udostępnij na innych stronach Więcej opcji udostępniania...
Tom.O Opublikowano 14 Stycznia 2006 Zgłoś Opublikowano 14 Stycznia 2006 Ja mam - do - i + do + bezposrednio do plytki, a + z - skrecilem razem, przylutowalem przewod i jest OK :) Cytuj Udostępnij tę odpowiedź Odnośnik do odpowiedzi Udostępnij na innych stronach Więcej opcji udostępniania...
Mazzi Opublikowano 31 Stycznia 2006 Zgłoś Opublikowano 31 Stycznia 2006 to ze nic nie pisze w temacie, to nei znaczy ze naprawilem radmorka, tylko ze czasu nie mam zabrac sie za niego SESJA meczy :) Cytuj Udostępnij tę odpowiedź Odnośnik do odpowiedzi Udostępnij na innych stronach Więcej opcji udostępniania...
Mazzi Opublikowano 16 Lutego 2006 Zgłoś Opublikowano 16 Lutego 2006 to ze nic nie pisze w temacie, to nei znaczy ze naprawilem radmorka, tylko ze czasu nie mam zabrac sie za niego SESJA meczy :) wszystko poprawilem, nowe kable glosnikowe, wlutowalem nowy mostek prostowniczy 6a i nic cholera nie pomoglo.... nie mam pojecia co to moze byc... Cytuj Udostępnij tę odpowiedź Odnośnik do odpowiedzi Udostępnij na innych stronach Więcej opcji udostępniania...